Pinned Items
Recent Activities
  • peter.waters01 created a new forum post in CF6-80C2
    This is another "bad from stock" adventure so far... The installed MEC was causing intermittent EEC EICAS messages...  Our Reliability folks wanted it changed due to the MEC having a history of this same fault in its previous life. The first replacement MEC was installed. During high-power runs, the MEC would not make takeoff power and the flight idle was erratic, but the ground idle was stable. The second replacement MEC was installed... This round of high-power runs, the MEC would make takeoff power fine, but again the flight idle is hunting. We adjusted the flight idle screw, no change at all. We rang out all aircraft wiring from breakers to the right engine flight/ground idle pins twice on two shifts, no issues. We decided to take the aircraft out of the equation by depinning the wires for the flight idle solenoid at the MEC connector, then running jumper wires from the MEC to a 28 volt DC power supply outside the engine, then ran the engine. The flight idle still hunts erratically, with ground idle normal with no fluctuations. And now, a second MEC change required. Further updates as the plot thickens...

    Photo of the setup:
     


     
    1. View Thread →
    0
    0
    0
    0
    0
    0
    Post is under moderation
    Stream item published successfully. Item will now be visible on your stream.
  • It is a company camera. Given a choice, I would recommend the FLIR camera that can attach to your phone. It will do the necessary tasks without breaking your tool budget. 
    1. View Reply
    2. View Thread →
    0
    0
    0
    0
    0
    0
    Post is under moderation
    Stream item published successfully. Item will now be visible on your stream.
  • peter.waters01 created a new forum post in ATA 49 - APU
    This APU had a history of auto-shutdowns for high oil temperature. We ran the APU over two hours and confirmed the APU oil is heating up, causing the high oil temp auto shutdown. The oil cooler could have been clogged or the thermal bypass valve that regulates the oil flow through the oil cooler by its temperature. With a thermal imager, we noticed the oil cooler exhaust air temperature reduce over time from 165 degrees F down to 120 degrees F as the oil heated up from 225 degrees F to 310 degrees F at the scavenge oil fitting just above the chip detector, which is the oil temp auto shutdown trigger point for the ECU. The thermal bypass valve was the same temperature as the scavenge oil at the inlet and outlet ports and the scavenge T fitting at the bottom of the engine. 

     

    The oil is not cooling as it should. 

    We ended up replacing the oil cooler and bypass valve as an assembly. The readings afterward were as follows: oil cooler exhaust temperature was 180 degrees F, scavenge oil fitting temperature was 215 degrees F. At this point, I did finally take a reading from the oil pressure filter housing. The temperature about matched the oil cooler exhaust... 180 degrees F. Problem solved.

    The interesting point is what the thermal imager could do for troubleshooting this issue. The oil cooler exhaust should run about the same temperature as the oil in the outlet line from the oil cooler and the oil pressure filter housing.

         

    If the exhaust port outside is significantly cooler than the filter housing or the outlet, look to the thermal bypass valve.  

    1. View Thread →
    0
    0
    0
    0
    0
    0
    Post is under moderation
    Stream item published successfully. Item will now be visible on your stream.
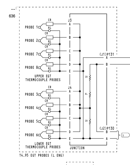
  • Help, I’m getting my ass kicked.

    For the life of me, I cannot remember how the EGT thermocouple gang does it’s job. There are 4 probes in parallel all connected to one output on a CF6-80C2. If one probe is removed from the equation, does the temperature indicated go up or down? 

     
    1. View Reply
    2. View Thread →
    0
    0
    0
    0
    0
    0
    Post is under moderation
    Stream item published successfully. Item will now be visible on your stream.
  • peter.waters01 created a new forum post in ATA 31 Instruments
    I ran into an issue today that caused me a bit of frustration... until I came up with a workaround.

     

    Most of the fleet of B767s I have dealt with have an EICAS maintenance bypass switch, allowing the use of the maintenance buttons (ECS/MSG, PERF/APU, etc.) while the aircraft is in AIR mode, whether in flight or simulated with actuators. During troubleshooting of an ELEV FEEL EICAS (S) message the FIM requires the aircraft to be above 270 knots on aux. pitot system 1, hydraulics on, and the aircraft in AIR mode. Once these conditions are met, the ELEV FEEL message is able to be cleared. 

    But, what can be done if there is not an EICAS maintenance bypass switch?

    The workaround I found was to pull relay K202 (which controls the EICAS maintenance function), jumper pins 10 and 11, then perform the FIM tasks. Once complete, reinstall the K202 relay after removing the jumper and move on to better tasks.

     

     
    1. View Thread →
    0
    0
    0
    0
    0
    0
    Post is under moderation
    Stream item published successfully. Item will now be visible on your stream.
There are no activities here yet
Unable to load tooltip content.