Dragging Out The Big Guns

More
3 years 11 months ago - 3 years 11 months ago #779 by Mark
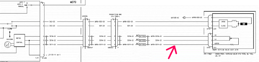
Open wire on the "wiper arm" of the outflow valve position potentiometer causing erroneous indications on the pressure control panel in cockpit.
  
  
  
 
  
  
  
  
A better image can be found  here .  
  

We split the system at Plug D8060 located near the aft wall of the forward lower cargo pit, our problem was aft. Now..... to the fun part. We're talking a run of over 70 feet. Through sidewalls, over the fuel tanks, and behind panels. We were able to use a TDR (Time Domain Reflectometer) along with the Fox/Hound to narrow-down the area to our broken wire.
  
  
  
 
  
  
  
TDR's are extremely helpful with locating the distance to faults on co-ax, twisted-pair, or twisted-trip wires. Our wire was the yellow one of a twisted-trip (red/yellow/blue 22 gauge wire). I haven't had much luck with fault location of single conductor wires. A reference wire is usually required. That being either the shielding or another wire in the twisted set.

Anyway..... the TDR showed an "open" 254 inches (21 feet) from the outflow valve cannon plug. We opened up a few panels by the bulk cargo door and used the fox/hound to get us closer to the actual fault. The fox (transmitter) injects a tone into a wire which can be followed with the hound (receiver). When chasing down a wire, when the tone stops..... it's usually where the break is.

Ours was above the forward section of the bulk door in an extremely hard place to access.
  
  
  
 
  
  
  
 
  
  
  
  
This job might of required "gutting" of the aircraft to find the fault. Numerous man hours and a downed plane. Thanks to the TDR, the repair took half a day for three guys.
Last edit: 3 years 11 months ago by Mark.

Please Log in or Create an account to join the conversation.

Time to create page: 0.747 seconds