Relay

More
2 years 4 months ago #1339 by dynamics
Relay was created by dynamics
A relay normally have 4 connection (two connection for the switch and two for coil)however I can't see how some relay is connected with 10 wires?!

Please Log in or Create an account to join the conversation.

More
2 years 4 months ago - 2 years 4 months ago #1340 by Mark
Replied by Mark on topic Relay
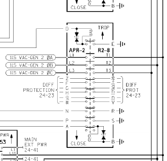
Relays can have numerous contact points. In the case of power contactors (basically a "big" relay), it is the norm to have a dozen or more connections.
  
  
 
  
  
It's actually fairly rare to have just a single set of  contacts. 
  
  
 
  
  
That dashed line on the Hyd Transfer Relay represents a mechanical connection. All contacts open or close at the same time.
  
 
Last edit: 2 years 4 months ago by Mark.
The following user(s) said Thank You: dynamics

Please Log in or Create an account to join the conversation.

More
2 years 4 months ago #1343 by dynamics
Replied by dynamics on topic Relay
Is it possible to install contactor in external power supply line without the breaker?Is there any circuit breaker assy that contains a contactor?

Please Log in or Create an account to join the conversation.

More
2 years 4 months ago - 2 years 4 months ago #1344 by Mark
Replied by Mark on topic Relay
You're way out there on all this.

These power systems are designed with differential protection. Reference  rotate.aero/forum/troubleshooting-tips-g...rent-transformer#799

Smaller relays installed in working systems "can" be controlled by circuit breakers, but the CB usually removes power from a complete system. Relays, computer, switches, actuators, lights.....

Some relays actually have a breaker (or over-current sense) built into them. Fuel pump control relays often are this type.

When we're talking external, APU, or generator power..... this is high amperage current. Circuit breakers are used. They are three phase breakers. Any one of the three phases can make them pop open.

Read the link above and visit chapter 24 of your schematic manual. It should be clear how power protection is designed.

 
Last edit: 2 years 4 months ago by Mark.

Please Log in or Create an account to join the conversation.

More
2 years 4 months ago - 2 years 4 months ago #1347 by dynamics
Replied by dynamics on topic Relay
Just a moment ago, I sent an email attached with pages of the catalogue, equipment list and the wiring diagram regarding APU generator breaker item 607 in IPC that is equivalent to breaker C890&C889 in the equipment list and the wiring diagram as indicated. However item 606 contactor also may be used as per IPC (that is not in WDM equipment list), that is a bit odd, given the differences of the circuit breaker and the contactor you explained thoroughly.
Last edit: 2 years 4 months ago by dynamics.

Please Log in or Create an account to join the conversation.

More
2 years 4 months ago #1350 by Mark

Please Log in or Create an account to join the conversation.

Time to create page: 0.836 seconds