Flight Data Recorder

More
2 years 8 months ago - 2 years 8 months ago #1207 by dynamics
What does "sampling rate" mean with regard to recording of acceleration data which is essential for hard landing analysis?
Last edit: 2 years 8 months ago by Mark.

Please Log in or Create an account to join the conversation.

More
2 years 8 months ago - 2 years 8 months ago #1208 by Mark
Replied by Mark on topic Flight Data Recorder
Without digging into manuals, I would guess sampling rate is how quickly data is updated.

All aircraft systems data is reported to the DFDAU. It sends data to the FDR, WQAR (if installed), and it usually has its own PCMCIA card for recording also.

This data (via 429 or any other type of data bus) is sent in kilo/seconds or faster.

Please reference  en.wikipedia.org/wiki/ARINC_429
Last edit: 2 years 8 months ago by Mark.

Please Log in or Create an account to join the conversation.

More
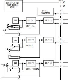
2 years 8 months ago - 2 years 8 months ago #1209 by Mark
Replied by Mark on topic Flight Data Recorder
Acceleration data (in the case of a 767) is not a data-bus signal. It looks to be a constant output for lateral, longitudinal, and vertical sent to the DFDAU.

Pitch, roll, yaw, vertical speed, and other flight related data "is" sent via 429 from the IRU's to the DFDAU.
  
  
 
  
Last edit: 2 years 8 months ago by Mark.

Please Log in or Create an account to join the conversation.

Time to create page: 0.755 seconds