ICAO Annex 6

More
2 years 10 months ago #968 by dynamics
ICAO Annex 6 was created by dynamics
Mark,with regard to Part I Chapter 7, Para 7.2.5. of subject document do you have any idea about avionics instruments/systems used in b737 family for following purposes:
1 -altitude alerting system
2-An automatic altitude control system
3-A secondary surveillance radar  (SSR) transponder  with altitude reporting system that can be connected to the altitude measurement system in use for altitude keeping

Please Log in or Create an account to join the conversation.

More
2 years 10 months ago #975 by Mark
Replied by Mark on topic ICAO Annex 6
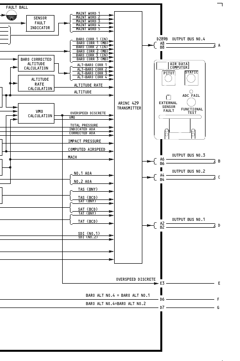
All of these user systems (Altitude Alert, Altitude Control, and ATC Transponders) use the outputs from the Air Data Computers.

The Air Data computer(s) uses 3 or more 429 output buses to feed air data information to much more than just the systems listed above. Cabin altitude control, Auto-Pilot, FMS (Flight Management Systems), Yaw Damper, Aileron Lockout, Flap Limiting, Elevator Feel, Rudder Limiting are just a few air data user systems.
  
  
 
  
  
The Air Data computers receive pitot/static pressures from two pneumatic hookups. They also receive information from the AOA (angle of attack) and TAT (total air temp) probes. I would guess the number of 429 output labels to exceed 60.
  
  
 
  
  
A couple of images that might help explain a 429 data bus output are below.
  
  
 
  
  
 
  

  
  
 
The following user(s) said Thank You: dynamics

Please Log in or Create an account to join the conversation.

Time to create page: 0.586 seconds