B737 boost pump wiring

More
2 years 11 months ago #918 by dynamics
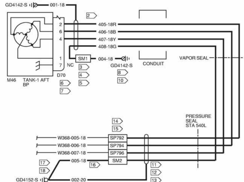
Mark, would you mind explain "vapor seal"and "pressure seal" as per wiring diagram that I have emailed attached just a moment ago...

Please Log in or Create an account to join the conversation.

More
2 years 11 months ago #919 by Mark
Replied by Mark on topic B737 boost pump wiring
The pressure seal is the point where the wires go into the pressure vessel (fuselage). I'd have to get a chance to look at the IPC to see where the vapor seal is located.
  
  
 
  
 

Please Log in or Create an account to join the conversation.

More
2 years 11 months ago #920 by dynamics
Replied by dynamics on topic B737 boost pump wiring
Mark, I emailed some pages relating to inspection of booster pump wiring,
following removal of the bundle from the conduits and then reinstallation or
replacement of old/new bundle. so please advise me on followings:
1-(Figure 1)would you mind explaining thoroughly how the wires may be removed
,with the socket contact attached,from the electrical connector of the pump?
Is it necessary to remove the pump?
2-(figure 1) According to AMM, BMS 13-60T09C03G018 or BMS 13-60T12C03G018 electrical wire may be
re-installed in the electrical connector if there is no damage to the electrical
wire and the socket contacts can be removed and new contacts installed.
All other electrical wire types must be replaced. I don't understand why?
3-Regarding figure 2, is it necessary to splice in the fuselage if the wire/cable is spliced at the front spar of the wing?
4-Regarding figure 2 flag 4, why two different sleeves has to be used for splice type 4A?what is the differences of splice type 4A and Splice type 4B?
4-Regarding figure 2, why two different sleeves are required for the bundle in the conduit, namely one sleeve corresponds to flag 8 and another one corresponds to flag 9?
5-Regarding figure 2 flag 9 should socket contacts be removed for inspection of the wiring? If yes, should I use new socket contact after removing the existing one?

Please Log in or Create an account to join the conversation.

More
2 years 11 months ago - 2 years 11 months ago #921 by Mark
Replied by Mark on topic B737 boost pump wiring
I see no copyright on this document so I'll post it as is.
  
  
 

This browser does not support PDFs. Please download the PDF to view it: Download PDF


  
  
I'll try to answer your questions as best I can.
 
Last edit: 2 years 11 months ago by Mark.

Please Log in or Create an account to join the conversation.

More
2 years 11 months ago #922 by Mark
Replied by Mark on topic B737 boost pump wiring
Most (if not all) Boeing fuel pump plugs are front release. They use a blue push-out tool as explained  here.

I wouldn't be pulling any wires through a conduit without a pull wire attached. That way, the new wire bundle can be pulled back through the conduit with the pull wire.

You shouldn't have to pull the pump. Your wires are external from the tank itself.

I guessing this whole modification deals with suspect wiring (possibly Kapton ) installed for the pumps. The AMM only allows the two types of wire. Problem is..... if the wiring is original, you might not be able to read the wire part number printed on the outer sheathing. If it cannot be identified or the wrong part number is installed, it must be replaced.

It looks like they would allow splices between vapor and pressure seals. It states the original splices are inside the pressure vessel.

I have no idea what the difference is between the splice types, but they obviously will allow either type.

Two sleeves, one long - for the wire run, one short (to be placed right behind plug) to be marked with the plug identifier.

As far as the plug goes..... I would replace them. Although not directly in the weather, they are exposed to continual heat/cold cycles. The rubber gets hard and cracks which will possibly let two pins touch each other.
The following user(s) said Thank You: dynamics

Please Log in or Create an account to join the conversation.

More
2 years 11 months ago #924 by Mark
Replied by Mark on topic B737 boost pump wiring
Funny thing..... we had a fuel pump issue just today. You can read about it  here.

Please Log in or Create an account to join the conversation.

More
2 years 11 months ago #925 by dynamics
Replied by dynamics on topic B737 boost pump wiring
I believe the wrong splice is attributable to the human factor, so it rises the question is it worth to spend on developing mathematical model for human performance?

Please Log in or Create an account to join the conversation.

More
2 years 11 months ago #926 by dynamics
Replied by dynamics on topic B737 boost pump wiring
Regarding two figures (fig's 15&16) I emailed just a moment ago, please find the followings:

1-from figures 16&15 I believe either bundle W512 or bundle W514 is routed from the applicable pump connectors through the conduits and then through the elbows at front spar and routed at front spar to the fuselage and eventually are spliced in the forward cargo, Isn't it? Correct me if I'm wrong.

2-Regarding figure 15, would you mind explaining thoroughly how the installation adapter is used?

3-what is the difference of installing as per steps 3&16 for figure 15 and routing as per steps 1 for figure 16?

Please Log in or Create an account to join the conversation.

Time to create page: 0.616 seconds