Panel Background Lights

More
1 month 4 hours ago - 4 weeks 2 days ago #1870 by Mark
Panel Background Lights was created by Mark
The majority of aircraft I've dealt with over my years use 5 VAC as the input voltage for panel light plates and instrument back lighting. This would include Douglas, Boeing, Airbus, Gulfstream, Falcon, Cessna, and others. No matter the manufacturer, they all use light dimming modules to power a certain amount of lights each.
  
  
 
  
  
We recently had an aircraft where about 6 or 7 of the overhead panels had no background lights.
  
  
 
  
  
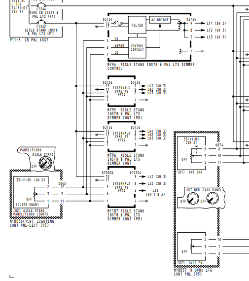
The first order of business is to find the dimmer module for that group of lights (sometimes when something is said to be in the P5 overhead, but instead is found aft and outboard..... costing you about two hours just finding the damn thing. Bitching???? Naw).
  
  
 
  
  
 
  
  
Hanging a new module didn't help. It was noticed on this particular panel that pin 8 of the three 5 VAC output pins (9,8,and 2), was not being used.

I didn't have my own equipment or meter so I rigged up a quick way to monitor the output on pin 8 of the module..... it's called safety wire and a borrowed meter.
  
  
 
  
  
Anyway..... with everything connected, maximum voltage output with the brightness knob fully up was about 1 volt. (It seemed the dimmer module had a built in protection circuit because after about a minute..... the voltage dropped to 0.)
  
  
 
  
 

So, what's the most likely problem? One of the plates or lights is loading the output down. Time to start disconnecting.....

The second panel removed was the windshield wiper control panel. As soon as the plug was disconnected, the voltage jumped to 5 VAC.
  
  
 
  
  
 
  
  
When the light plate was removed, nothing looked odd. Both the receptacle and the nipple were clean. 
  
  
 
  
  
 
  
  
Dirt, moisture, a coke can that exploded vertically .... we didn't care. The short was cleared either by the cannon plug being removed or the light plate connection itself. Problem fixed and signed off.
Last edit: 4 weeks 2 days ago by Mark.

Please Log in or Create an account to join the conversation.

More
2 weeks 6 days ago #1873 by Mark
Replied by Mark on topic Panel Background Lights
It's unusual to have two background light issues within a seven day period, but.....

767-200 with the left lighting control panel, fuel pump panel, equipment cooling control panel with their background lights inoperative.

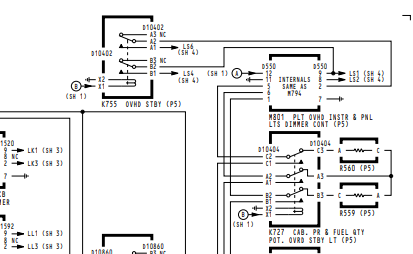
From the schematics, the lighting module involved was M801 located outboard of the lower left circuit breaker panel.
  
  
 
  
  
A new module was no help. Thinking I had another light plate loading the system down, I de-pinned the output pins 2, 8, 9 and checked output voltage which was 5 VAC at full bright. With all the pins back in..... same results????
  
  
 
  

I continuity checked the fuel pump panel connector back to the module. It was open.

This only left relay K755 to be at fault. This relay is "always" energized with power on. I can only think of load shedding for its purpose, which to me is stupid. How much battery power is being used by some background lights?

The relay is mounted to a bracket at the module.
  
  
 
  
  
The relay replacement fixed the issue.
  
     
  
Here are some of the locations for some of the modules.
  
  
 
  
 

Please Log in or Create an account to join the conversation.

Time to create page: 0.733 seconds