ATA 76-12, GE CF6-80C2A5F Engine Fuel Solenoid

More
10 years 5 months ago - 8 years 8 months ago #118 by Mark
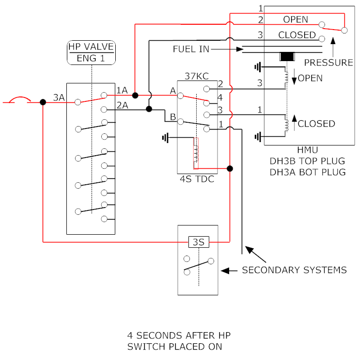
A few drawings to (hopefully) try to explain the relationship of relay 37KC and the fuel solenoid for engine operations on the A300-600. This example is for engine #1. Engine #2 uses 38KC.

One thing to keep in mind is that the solenoid acts similar to a latching relay. It will maintain its current condition until a command (in this case 28VDC) to change state is applied to one of its coils. In other words, if its closed it will remain closed until 28VDC is sent to the open coil and it will remain open until that voltage is applied to the closed coil.

I'm going to have to guess that the engineers did not want power applied to the fuel solenoid on a full time basis. Either there was a heat issue or longevity is increased without voltage always present.

Relay 37KC is basically "on" 99.9% of its life and for anyone who has brushed up against a A300 relay rack...... it's one of the ones that burns you.
















Fuel Solenoid and Pressure Switch



Fuel solenoid end view and side view showing an extremely fine mesh.




A300-600 ATA 76-12 Engine Start Solenoid
ASM 76-12-00
Last edit: 8 years 8 months ago by Mark.

Please Log in or Create an account to join the conversation.

More
10 years 3 months ago #136 by Mark
Problem reoccurred today. We spent a considerable amount of time looking up part numbers in the engine IPC (which sucks in the first place).

The part number of the switch at the time of this writing, P/N 2680287.

Please Log in or Create an account to join the conversation.

More
10 years 2 months ago - 10 years 2 months ago #141 by Mark
A couple pics "trying" to show location of switch on HMU.


Attachments:
Last edit: 10 years 2 months ago by Mark.

Please Log in or Create an account to join the conversation.

More
8 years 7 months ago #397 by Mark
Looked up the damn part number via the engine IPC without referencing this page where I "already" had a part number.

30 minutes instead of 30 seconds.

So...... one more time.

P/N 2680287 CPN 7310819

Please Log in or Create an account to join the conversation.

Time to create page: 0.720 seconds