T12 Sensor

More
2 years 7 months ago - 2 years 7 months ago #1230 by Mark
T12 Sensor was created by Mark
Pilot Report: "EEC Inop" switch-light illuminated on overhead panel.

A review of the EEC Monitor unit showed two related failures.
  
  
 
  
  
 
  
  
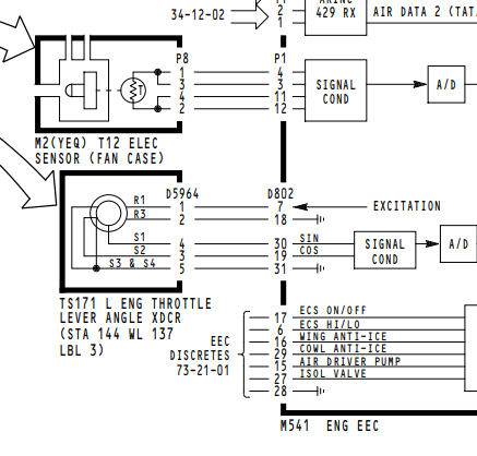
The "T2" sensor displayed on box is really the "T12" sensor listed in the schematic and wiring manuals. The T12 sensor is located at the 7 O'Clock position in the engine inlet. 
  
  
 
  
  
We measured an open circuit from the EEC. (Note that the wiring to the sensor uses two sets of signal wires in parallel.)
  
  
 
  
  
A new sensor showed around 218 ohms resistance.
  
  
 
  
  
    
    
Last edit: 2 years 7 months ago by Mark.

Please Log in or Create an account to join the conversation.

Time to create page: 0.701 seconds