Wiring Diagram symbols

More
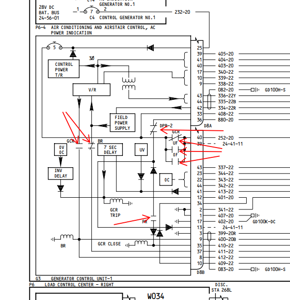
8 months 10 hours ago - 8 months 6 hours ago #1812 by dynamics
Could you clarify the meaning of the symbols depicted in the attached file: one comprising two parallel lines intersected by a diagonal stroke, and the other comprising two parallel lines without the stroke? 

  
  
 
  
 
Last edit: 8 months 6 hours ago by Mark.

Please Log in or Create an account to join the conversation.

More
8 months 6 hours ago - 8 months 6 hours ago #1813 by Mark
Replied by Mark on topic Wiring Diagram symbols
Those are internal relays.

Two lines, normally open.

Two line with diagonal, normally closed.

Abbreviations such as GCR, Generator Control Relay.

UV, Under Voltage.

OV, Over Voltage.

These are depictions to simplify the circuit. There doesn't have to be a physical relay. It could be an actual transistor that's doing the job. They could be logic circuits also.

 
Last edit: 8 months 6 hours ago by Mark.
The following user(s) said Thank You: OG GarlicSalt, dynamics

Please Log in or Create an account to join the conversation.

Time to create page: 0.634 seconds