Parity error-2

More
9 months 2 weeks ago - 9 months 2 weeks ago #1765 by Mark
Replied by Mark on topic Parity error-2
What you sent doesn't seem to fit in with your previous issue on the SGU.
It's talking about the Flight Mode Annunciators, but I understand where you're trying to go with this as a comparison to your original problem.

Your reference is talking about SSM in relation to a 429 bus. It is saying the identifier for parity is wrong..... just like your SGU fault.

You need to verify the jumpers on the SGU rack. One is broken or open. It could be a pin pushed back, a wire broken off the back of the pin, or a wire is broken or disconnected from the junction splice. These can be checked with a Ohm meter. Start pinning the rack to find out which pin doesn't have continuity to the rest of them in the group. YOU MUST HAVE A "ODD" NUMBER OF JUMPERS CONNECTED.
  
  
 
  
  
 
  
 
Last edit: 9 months 2 weeks ago by Mark.
The following user(s) said Thank You: dynamics

Please Log in or Create an account to join the conversation.

More
9 months 2 weeks ago #1766 by Mark
Replied by Mark on topic Parity error-2
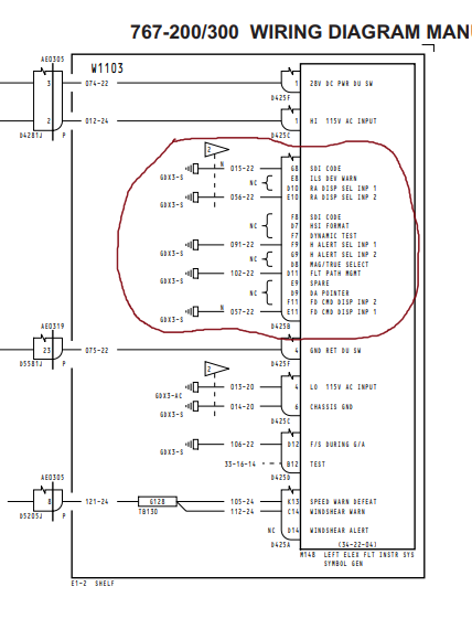
This is a typical 767 SGU. The pins circled are parity pins. These go to ground, but it doesn't matter if they're hooked to each other also.

You need to find the pins on the prints for your aircraft and find out if one is not connected.....
  
  
 
  
 
The following user(s) said Thank You: dynamics

Please Log in or Create an account to join the conversation.

More
9 months 2 weeks ago #1771 by dynamics
Replied by dynamics on topic Parity error-2
How might I determine which pin on the Electronic Flight Instrument System serves as the programming pin?

Please Log in or Create an account to join the conversation.

More
9 months 2 weeks ago #1772 by dynamics
Replied by dynamics on topic Parity error-2
Which of the following three hexadecimal codes is the correct one for the aircraft?


parity error
check the SG program pin configuration
F93919D
873EC0A
C080000

Please Log in or Create an account to join the conversation.

More
9 months 2 weeks ago #1773 by Mark
Replied by Mark on topic Parity error-2
Any ground pin not associated with power or case ground.

It's never just "one" pin. It's several and their total number (odd or even) is the parity.

Please Log in or Create an account to join the conversation.

More
9 months 2 weeks ago #1774 by Mark
Replied by Mark on topic Parity error-2
I cannot answer your question on the hex codes.

Those are in your Maintenance Manual.

Please Log in or Create an account to join the conversation.

More
9 months 2 weeks ago #1775 by dynamics
Replied by dynamics on topic Parity error-2
Which of the following three hexadecimal codes is the correct one for the aircraft, in reference to the file I have just attached to the email?

parity error
check the SG program pin configuration
F93919D
873EC0A
C080000

Please Log in or Create an account to join the conversation.

More
9 months 2 weeks ago #1776 by Mark
Replied by Mark on topic Parity error-2
Has anybody gone out a checked the pins on the aircraft?????

Looking at manuals isn't going to fix the problem.

Get a meter and your wiring prints and check the parity pins. One is broken. Find it. Fix it.
The following user(s) said Thank You: dynamics

Please Log in or Create an account to join the conversation.

Time to create page: 0.773 seconds