Freon Air Conditioning

More
7 years 6 months ago - 7 years 6 months ago #509 by Mark
Freon Air Conditioning was created by Mark
Citation Bravo with an A/C compressor that was not coming on. The cabin blower fans (fore and aft) did come on with A/C switch selected on.

The compressor unit is quite the pain to access, much less troubleshoot. It's tucked in the forward right section of the hell hole. It is mounted quite low also. The majority of the electrical components are mounted underneath the unit and are only freely accessible with the whole unit pulled out and laying on a bench. This problem didn't require such drastic measures.

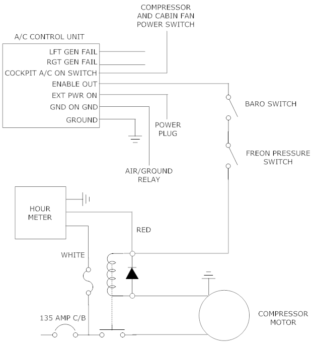
The compressor system uses a control unit to power a large contactor which feeds 28 VDC to a compressor motor. This motor has a large drive belt which spins the actual compressor.

Without access to the maintenance manual, some basic control logic functions can be understood. The controller needs to see the aircraft on ground using external power. It also requires a 28VDC signal from the cockpit switch. There are inputs from the generator system, but their function is unknown. If all the prerequisites are satisfied, the control unit sends an enable signal (28VDC) to the compressor motor contactor.

Initial troubleshooting just required an ear. A noticeable "click" was heard when the cockpit switch was cycled a few times. This of course, required two people. The click was quite faint while listening directly in the hell hole. This was actually a small relay inside the controller which when closed, fed 28VDC out on the "enable" wire.

With that being understood, it was now time to determine if or why not voltage was reaching the contactor coil. An easy way to accomplish this was the hour meter. The red wire feeding the hour meter is tied off of the coil input enable signal. No voltage was found. Just to check the main power feed from the 135 amp breaker was present, it could be checked via the hour meter's white wire. Power was present on the white wire.




This left only two intermediate pressure switches as a possible problem. A barometric switch and a freon pressure switch are wired in series to the contactor coil. I have no clue as to what the baro switch is used for. The freon switch is mounted on top of the receiver-drier in a horizontal direction.



I was very lucky that the wiring was easily accessible to the freon pressure switch. After sliding back the heat shrink, voltage was found on only one of the connectors ( knife splices ). The open pressure switch was bypassed for just a brief second with a jumper wire. The contactor closed and the motor started running.

Switch replacement required a purging of the freon before removal and a re-service after a new one was installed.



Cessna A/C System WDM C30062
Attachments:
Last edit: 7 years 6 months ago by Mark.

Please Log in or Create an account to join the conversation.

More
7 years 6 months ago #510 by Mark
Replied by Mark on topic Freon Air Conditioning
Sometimes, the freon pressure switch does exactly what it was designed to do. With low freon pressure, the switch opens. This prevents compressor damage, but it can open a can-of-worms if the system has a leak that must be found and corrected.

Please Log in or Create an account to join the conversation.

Time to create page: 0.902 seconds