DME - Distance Measuring Equipment

More
1 year 10 months ago - 1 year 10 months ago #1438 by Mark
New member Krishan. I created a aircraft type section CJ2 for him and added Chapter 34.

From his email:

Now days I am facing DME issue on Our Cessna Cj2. DME installed Bendix king KN63 

That the DME is working when we tune into  VOR it comes on the radio receiver panels only on the Bendex King display and does not show on PFD and MFD.
2. On ILS  the same DME function is displayed on PFD on both pilot and copilot side and the Bendex King display. 

THE DME IS WORKING, unless it is separate for VOR and ILS.
For this thing we replace our KN 63 Interrogator but problem remains same.
And I also attached wiring diagrams....
Last edit: 1 year 10 months ago by Mark.

Please Log in or Create an account to join the conversation.

More
1 year 10 months ago - 1 year 10 months ago #1439 by Mark
The fact that you're getting DME distance display on both DME displays for both VOR/ILS, I would say this is not a DME issue.

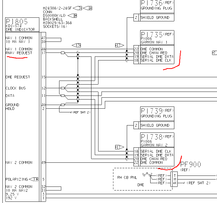
From your prints, the DME indicators feed the Garmin displays.

I'm guessing this is a possible "Mode Display" issue.

If the Garmins have long range navigation, they usually display distance to the next waypoint and not VOR DME data. DME signals from the VOR's are being used, but not displayed. Crews need to know when the next turn is (next waypoint).

The crews normally will select LNAV for long range navigation. LNAV shows waypoint distance. Do the Garmins have a VOR selection for mode? 
  
  
 
  
 
Last edit: 1 year 10 months ago by Mark.

Please Log in or Create an account to join the conversation.

More
1 year 10 months ago #1440 by Emblemdhc
Sir there is only one DME tuned by two GNS 530 for selection NAV1 and NAV 2 there is sperate switch For indication  both PFD  and Bendix king indicator KDI 574  So first we tune DME   by No.1 GNS 530 there is  No distance and no audio tune heard Sometimes I noticed there is audio tone and no distance on KDI 574 And next step we tune DME by no.2 GNS530 there is distance on both PFD  and Bendix king indicator KDI 574  And audio tune heard  Next step now we Swap GNS 530 with each otherNow swap conditions And next step we tune DME by no.1 GNS530 there is distance on both PFD  and Bendix king indicator KDI 574  And audio tune heard  And we tune DME   by No.2 GNS 530 there is  No distance and no audio tune heard   But after 3/4 power cycle  DME Not showing distance and no audio tone by both GNS 530  Sometimes it show  distance on 1 and 2 selection by GNS 530  But sometimes not This system is only one of our aircraft not in any other so we can’t swap anything from. Another aircraft I don’t understand what to take next step now         

    VideofromE...mDHC.mp4

Please Log in or Create an account to join the conversation.

More
1 year 10 months ago - 1 year 10 months ago #1441 by Mark
I downloaded and viewed a couple items from the GNS530 Pilots Guide.

Page 16 shows a power-up self test page which states that if you see a distance of 10.0 NM, the DME input to the system is functioning. Do you get this on both control heads?
  
  
  
  
I guess I'm still not understanding the problem fully. You stated when you swapped controls the problem followed?

You have proper ILS display and tuning which leads me away from the serial/data inputs being incorrect.

I would think the switching might come into play, I would like to be there to view the setup myself.

What is a 3/4 power cycle?
  
Can you post a vid of the switches (on your second print that you sent me) and what they do to the displays when activated?  One is a On/Off switch, one a Nav1/Nav2, and the last a Hold switch. Does turning off the DME during this power cycle  and then turning it back on make any difference?
  

 

This browser does not support PDFs. Please download the PDF to view it: Download PDF

 
 
Last edit: 1 year 10 months ago by Mark.

Please Log in or Create an account to join the conversation.

More
1 year 10 months ago - 1 year 10 months ago #1442 by Emblemdhc
Dear sir Now we tune DME by GNS 530 1 and its show distance on KDI 574 and both display and tone is heard and when GPS is acquired by GNS530 is also show distance on it 
Now we change we tune DME by GNS 530 2 and its show distance on KDI 574 and both display and tone is heard and when GPS is acquired by GNS530 is also show distance on it 
But after 10 minute  on DME by Nav 2 its show no distance on KDI 574 and Both PFD   
Now we select  test Frequency on GNS2 108.00 and start test using IFR6000 and rf level is -2.0 demIts show distance  and audio tone heard    
Now we change frequency to 109.00 and show no distance on KDI 574 and Both PFD  
Now we swap GNS with each other
  Now faulty (we assume) GNS 2 in 1 position  And start using IFR 6000 It’s  on 108.00 its show distance and tone is heard
On 109.00 there is no distance and no tone 
110.00 there is distance and tone 
111.00 there is no distance and tone 
112.00 there is no distance and tone 
113.00 there is no distance and  no tone 
114.00 there is  distance  on KDI 574 and no distance on PFD and tone is heard
115.00 there is no distance and no  tone
116.00 there is no distance and no tone 
   Now check in GNS 530 2 108.00 ok
109.00 no indication 
110.00  distance / aural tone heard
111.00 no indication 
112.00  no indication 
113.00. No indication 
114.00 distance / aural tone heard
115.00 no indication 
116.00  no indication 
 Meaning of 3/4 power cycle is power off 4 times.
Last edit: 1 year 10 months ago by Emblemdhc.

Please Log in or Create an account to join the conversation.

More
1 year 10 months ago #1444 by Mark
Same tester different frequencies, but with some you get proper indications - others not.

What airport are you at? Does the airport have a local VOR or ILS's that might be transmitting a DME signal also?

If so, what do you get on those (being that are active systems and not test box generated)?

Try different VOR frequencies other than .00 (116.60 or 117.30 for example).

Here's a list of active ILS's
  
  
 
  


 

Please Log in or Create an account to join the conversation.

More
1 year 10 months ago #1445 by Emblemdhc
I am at Delhi airport India ICAO  code- VIDP 
Delhi airport has Tow VOR/DME station  Frequency 114.60 and 116.10  both are active station 
Aircraft is Parked inside hanger so it’s only catch 114.60  sometimes 
we check  with multiple frequencies but it not respond 
for this reason we change DME interrogator with serivceable one and  same problem exists

now we have doubt on GNS 530 its may be  misbehaving 
Is it possible junction box is misbehaving ?

Please Log in or Create an account to join the conversation.

More
1 year 10 months ago - 1 year 10 months ago #1446 by Mark
Two ILS's with DME.

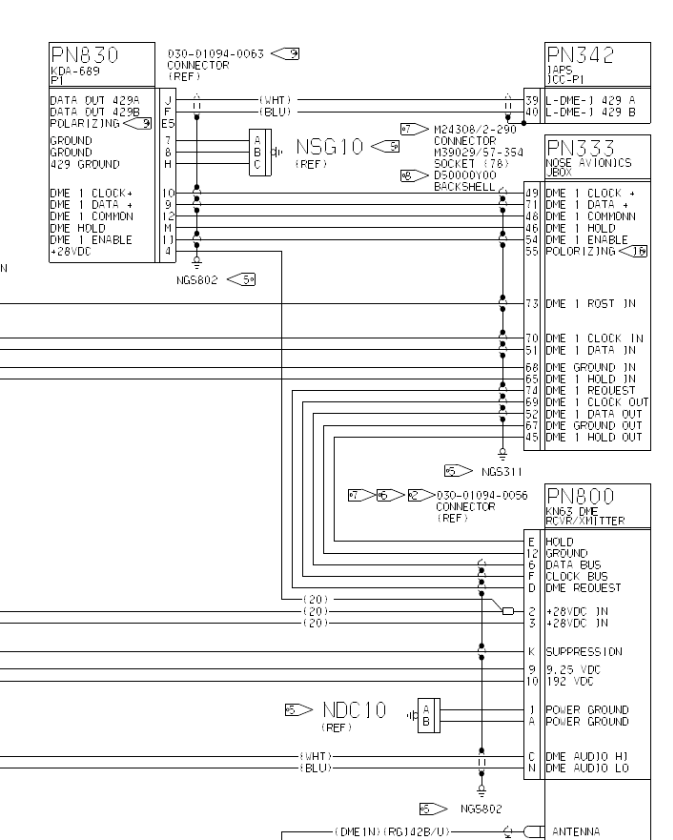
It seems odd that certain frequencies work, but others don't. Verify the tuning wires from GNS-500 to the DME are all there. The data wires are also suspect. I'm also not sure what the KDA-689 function is. It's titled as a ARINC Serial Adapter. It sounds somewhat suspect....
  
  
 
  
  
 
  
 
Last edit: 1 year 10 months ago by Mark.

Please Log in or Create an account to join the conversation.

More
1 year 10 months ago #1447 by Mark
Look at these three wires....
  
  
 

Please Log in or Create an account to join the conversation.

More
1 year 10 months ago #1448 by Mark
The upper right section of this print only shows one 429 Data Bus coming from the left GNS.

Is there one for the right? It might not even be setup to use the right. 

Please Log in or Create an account to join the conversation.

Time to create page: 1.021 seconds