ATC Front Panel Test Lights

More
1 year 8 months ago #1538 by Mark
ATC transponder unit with self test lights not working when button pushed.
  
  
 
  
  
I suspected a air/ground sensing issue which seems to be the norm for numerous systems on the aircraft (boxes that shouldn't be tested while in the air).

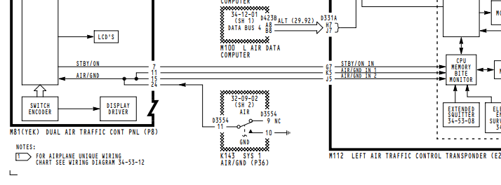
On the 767 (at least this -300 aircraft) two air/ground relays provide the control panel and transponder an electrical ground signal when the aircraft is in a "weight on wheels"  (on terra firma) condition.

Relay "K143" for the left system. "K200" for the right. My problem was right, but the print below shows the left.
  
  
 
  
  
Bad relay "K200" which kept the right panel/transponder in the air mode.
  
  
 
  
  
After replacing relay.....
  
  
 
  
 
The following user(s) said Thank You: OG GarlicSalt

Please Log in or Create an account to join the conversation.

More
1 year 8 months ago #1539 by Mark
Replied by Mark on topic ATC Front Panel Test Lights
Just noticed the last image shows the left transponder. Trust me  it was the same for the right.....

Please Log in or Create an account to join the conversation.

Time to create page: 0.714 seconds