ATA 31-51, Gear Warning

More
4 years 7 months ago - 4 years 7 months ago #770 by Mark
ATA 31-51, Gear Warning was created by Mark
Inbound write-up:

At 8500' with gear up in a clean configuration and throttles at idle, red "Gear Not Down" and "Gear Disagree" EICAS warnings for approximately 30 seconds. 
  
  
   
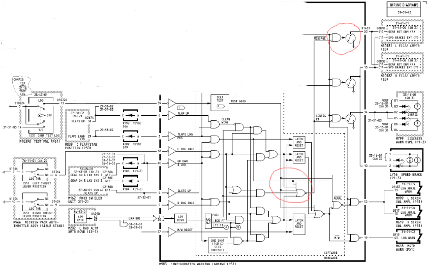
     (A larger image can be found  here . Schematics Manual 31-51-04.) 
  
  
So what's going on here???

If the aircraft "thinks" you're in landing configuration, but the gear is not down..... it's going to let you know about it.

The warning circuit is looking at three basic conditions. Throttle position, flaps/slats position, and radio altimeter inputs.

One biggie for a warning is the aircraft below 800' radio altitude and the gear not down. Our write-up didn't fall into this condition.

What we found for this particular write-up was a logged slat position sensor error in the Proximity Unit's fault history.

The logic saw this as "the throttles are at idle", "flaps/slats are NOT in a clean wing condition", and "the gear is not down." 

We found the faulted slat position sensor target with a gap beyond tolerance. Once adjusted..... no more issues have occurred.
Last edit: 4 years 7 months ago by Mark.

Please Log in or Create an account to join the conversation.

More
9 months 2 weeks ago - 9 months 2 weeks ago #1750 by Mark
Replied by Mark on topic ATA 31-51, Gear Warning
Crew write-up: AFTER T/O DURING GEAR RETRACTION MASTER WARNING WITH RED EICAS GEAR NOT DOWN ILLUMINATED. STAYED ILLUMINATED FOR 10 SECONDS

A "Gear Not Down" warning should occur during the landing phase of flight. This problem was noted on take-off.

So what's the issue?

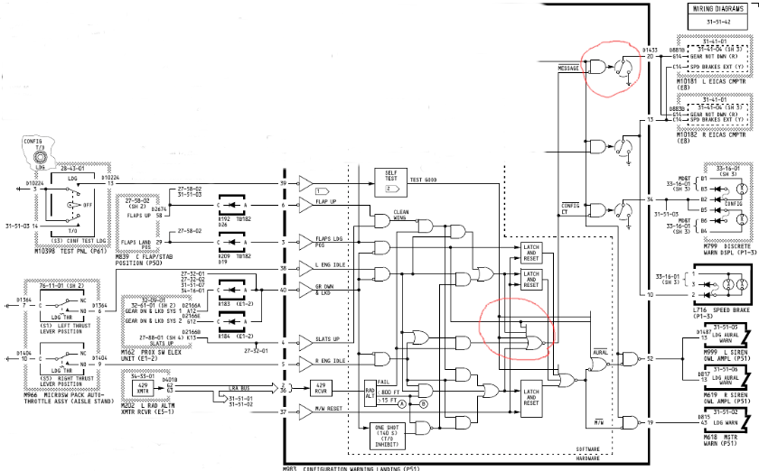
The problem was a bad throttle position switch in the micro-switch pack. We got two meters on the M983 Configuration Warning Landing card in the P51 card box. One meter on pin 5 and the other on pin 38. With both throttles retarded, we had grounds on both pins. When the throttles were moved forward, only one ground was lost. The other remained grounded throughout throttle travel.

The system interpreted this as one engine at idle (even though the throttle was at take-off power). When the gear handle was lifted and the gear broke over center, a valid gear down signal was lost. No gear down and a throttle at idle...... "Gear Not Down" warning.

At 800' radio altimeter, the logic signal to the "NOR" gate was lost (below 800' is when the gear warning is valid)..... all the warning lights and messages stopped.

The EICAS message is in the upper right of the drawing. The warning lights just down from there. Both get ground signals from electronic switches (transistors) on the card. The "NOR" gate is located bottom middle. All the logic inputs (including the throttle switches) are bottom left.
  
  
 
A larger print can be found here .
Last edit: 9 months 2 weeks ago by Mark.

Please Log in or Create an account to join the conversation.

Time to create page: 0.861 seconds