ATA 76-11, Fuel Valve

More
3 years 11 months ago - 3 years 11 months ago #783 by Mark
ATA 76-11, Fuel Valve was created by Mark
(A previous fault dealing with this system can be found  here .)

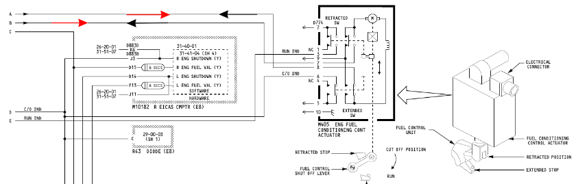
We had a Engine Fuel Valve (or what is called a Fuel Conditioning Unit) that was not extending to its full length when the fuel lever was placed in the "Run" position.
  
  
  
 
  
  
  
The piston should extend about 4"  to allow the MEC (Main Engine Control or as some people call it..... Fuel Control) to start the engine. The piston will stay extended during the entire engine run cycle.
  
  
  
 
  
  
  
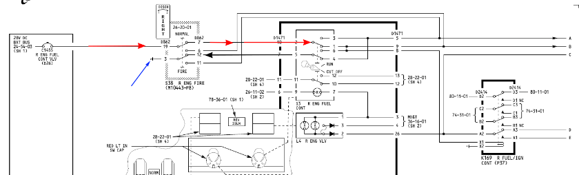
The complete system consists of the fire handle, run/cutout switch, and the conditioner itself. If the fire handle is down, all control is through the switch.

Power to extended comes in on pin 8 of the conditioner, 7 to retract. The initial ground to start movement is pin 9. As soon as the actuator starts to move, a internal switch swaps that ground to 7 to extend, 8 to retract.

The switch just reverses polarity going to pins 7 and 8 depending on what position it’s in.

During the start cycle, if the actuator moves out a small amount and stops..... either the internal switch in the conditioner is bad or the ground path on pin 7 is high or open.

For our problem with this aircraft, we had a fuel run/cutoff switch that had 300+ ohms on the ground path out of pin 7 of the conditioner. If the switch was flipped vigorously, the ground path was less than 20 ohms and the piston would extend fully.
  
  
  
 
  
  
  
 
A better image can be found  here .  
  
  
If you look at the prints you'll see that with the fire handle pulled, the switch is by-passed. Power is sent directly to pin 7 and ground on pin 8 to retract the actuator and shut off the engine.
Last edit: 3 years 11 months ago by Mark.

Please Log in or Create an account to join the conversation.

Time to create page: 0.813 seconds