ELCU

More
2 years 11 months ago #908 by Mark
ELCU was created by Mark
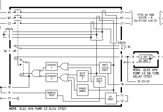
There are no circuit breakers for the four electric hydraulic pumps (one each for left and right, two for the center). Power control is accomplished by use of a ELCU (Electrical Load Control Unit).
  
  
 
  
  
The ELCU (which I would classify as a "contactor"  because of the heavy current load) is activated by a switch in the cockpit. It has a internal CT (current transformer) circuit that looks for a phase imbalance between the three power wires that feed the pump.
  
  
 
  
  
I didn't take a video..... but this thing is fast. We had a pump with a shorted power wire. I initially thought the ELCU was bad as I had no output with the switch on. I was wrong. You have to have a meter on one of he output wires while someone throws the switch in the cockpit. I had 115VAC for about a half second before the thing tripped.

The only way to verify the the ELCU is bad is by taking the power plug off the pump. Excluding a short in the wires..... if 115VAC isn't seen on the output terminals, you've got a bad ELCU.

For safety reasons, I would pull "the big breaker" (external power) before changing this thing. Those upper power input wires could cause you to have a very bad day if you touched them with power on the aircraft.

Please Log in or Create an account to join the conversation.

Time to create page: 0.838 seconds