APU Inlet Door Position

More
4 years 6 months ago - 4 years 6 months ago #765 by Mark
APU Inlet Door Position was created by Mark
APU was not starting. History stated that it would make approximately 30% and shutdown. I didn't try a start in the failed condition.

The ECU was showing a inlet door failure.
  
  
 
  
  
The ECU needs to receive a ground signal indicating the inlet door is open. I'm surprised a start would be initiated with the door not showing fully open.

I "fooled" the system and had a successful start.

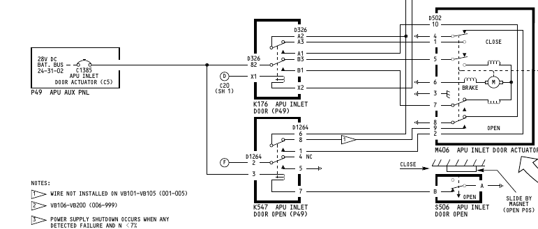
Looking at the schematic.....
  
  
 
  
  
If you pull relay K176 and jumper B2 (28 VDC) to B1 (door actuator "open" coil), you can command the door to open. (B2 to B3 will close it.)
  
  
 
  
  
With the door open, relay K547 should be energized which provides the ground signal to the ECU on pin 2. I visually verified the door was open and jumped pin 2 to ground.
  
  
 
  
  
With the good start, the only conclusion would be a bad or malfunctioning door sensor. This switch is made when a magnetic target is in close proximity.

The switch can be verified as good or bad by checking for a ground at pin 7 of K547 with the door open.

I didn't see the issue first hand, but there was a busted rivet on the target. Along with a target gap that was over limits.
  
  
 
  
  
 
   
 
Last edit: 4 years 6 months ago by Mark.

Please Log in or Create an account to join the conversation.

More
4 years 6 months ago #766 by Clipper
Replied by Clipper on topic APU Inlet Door Position
Good troubleshooting! Sometimes you look at something, not obviously broken, but broken just enough to cause problems. And then sometimes you find something big, and wonder how it hasn't caused a problem!

Please Log in or Create an account to join the conversation.

More
6 months 3 weeks ago #1804 by Mark
Replied by Mark on topic APU Inlet Door Position
Please reference:  rotate.aero/forum/767-28fuel/738-fueling-bay-door-switch for more information about the switch itself.

Please Log in or Create an account to join the conversation.

Time to create page: 0.918 seconds