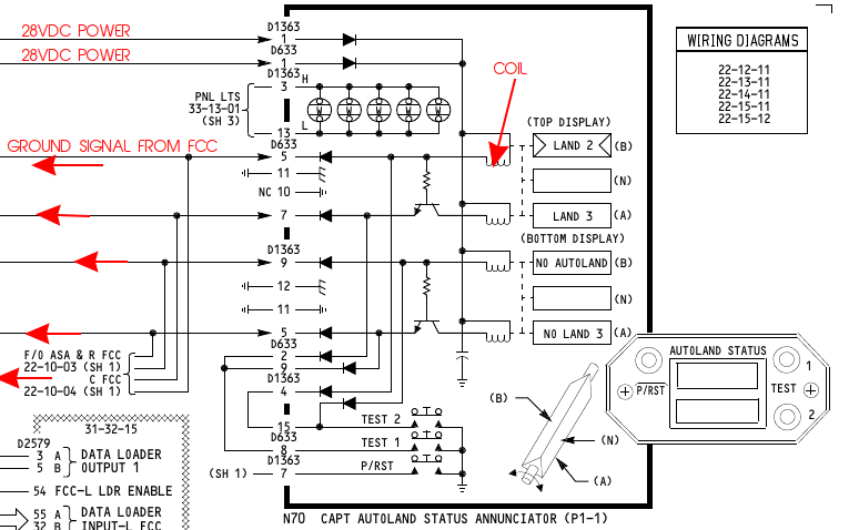
ATA 22-14, Autoland Status Annunciator

More
3 years 8 months ago - 3 years 8 months ago #803 by Mark
We had an aircraft which wouldn't start a MCDP 30/40 AutoLand Test and it was throwing this fault.
  
  
 
  
  
It was not a usual failure, so some digging through the Fault Isolation Manual was required. Basically, it was showing that the Center FCC (Flight Control Computer) was not talking on one of the four ASA (Autoland Status Annunciator) indicator wires.

The FCC's provide a ground signal that will show the current A/P status on the display.
  
  
  
  
  
 
  
  
We did find a broken wire close to the terminal block where all these wires joined up.

The question is..... how did the Center FCC know it had a problem? There is no feedback from the annunciator to verify it is in the correct position. When a full MCDP test is done, maintenance has to push the "Reset" button to tell the computer that it "is" indicating correctly.

Just like with a bulb or relay coil..... if the light is not on or relay energized..... 28 VDC will be present on the ground leg of the circuit. If the bulb was on or relay energized, all the voltage is being dropped across the coil. No voltage is seen on the ground side.
  
  
 
 


In the case of this problem, the FCC was not seeing 28 VDC on that wire. No annunciators were in view. 28 VDC should of been present on all four wires during the beginning of the MCDP test. One leg wasn't there and the MCDP test was stopped before it completed its initial interface test.
  
 
Last edit: 3 years 8 months ago by Mark.

Please Log in or Create an account to join the conversation.

Time to create page: 0.866 seconds